FUTEK MTA500 推力和扭矩多軸力傳感器
類型:通用型
型號:MTA500
行業:雪鞋測試、電阻點焊、軟管膨脹壓力測量
型號:MTA500
行業:雪鞋測試、電阻點焊、軟管膨脹壓力測量




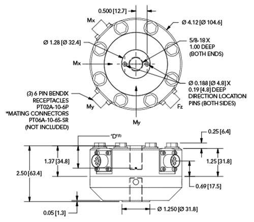
| 量程 | Fz:44482, 111205 N |
| Mx、My:226, 1129 N | |
| 非線性(Mx, My) | ±0.5% of RO |
| 非線性(Fz) | ±0.2% of RO |
| 激勵 | 18 |
| 橋路電阻 | 350 Ohm nom |
| 絕緣電阻 | ≥500 MOhm @ 50 VDC |
| 電纜 | (3)6針 BENDIX 插座(PT02E-10-6P) |
| 重量 | 9.3 kg |
| 過載保護 | 150% of RO |
| 材質 | 17-4 PH 銹鋼 |
| 防護等級 | IP65 |
| 操作溫度 | -54 to +93 ℃ |




電話020-85262155
郵箱sales@omgl.com.cn